新聞中心
產品中心
聯系我們
深圳市東么川伺服控制技術有限公司
電話:13316379101
郵箱:1355229533@qq.com
地址:深圳市龍華區民治街道樟坑社區青創城A棟B502
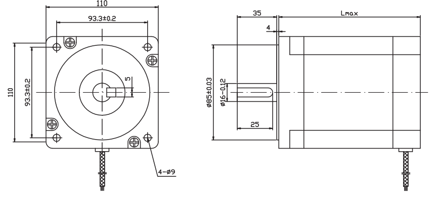
110步進電機-110mm步進電機尺寸、扭矩功率、額定
發布時間:2020-08-08 03:42:09

| 項目 | 技術參數 |
| 步距角 | 1.8° |
| 步距角精度 | ±5%(整步,空載) |
| 電阻精度 | ±10%(@20°) |
| 電感精度 | ±20%(1KHz) |
| 溫升 | 80 ℃ Max.(額定電流,2相通電) |
| 環境溫度 | -20℃~﹢50℃ |
| 絕緣電阻 | 100MΩMin.500VDC |
| 耐壓 | 500VAC一分鐘 |
| 徑向間隙 | 0.02mmMax.(450g負載) |
| 軸向間隙 | 0.08mmMax.(450g負載) |
| 徑向最大負載 | 220N(距法蘭面20mm) |
| 軸向最大負載 | 60N |
110mm二相混合式步進電機型號、110二相步進電機額定電流、110二相步進電機轉矩
| 型號 |
步距角 (度) |
額定電流(A) |
相電阻 (Ω) |
相電感 (mH) |
保持轉矩(N.M) | 轉子慣量(g.c㎡) |
重量 (kg) |
機身長 (mm) |
軸徑 (mm) |
引線數 |
| 110HS12 | 1.8 | 5.5 | 0.70 | 9.80 | 11.20 | 5500 | 5.00 | 99 | 19 | 4 |
| 110HS20 | 1.8 | 6.5 | 0.72 | 11.50 | 21.00 | 10900 | 8.40 | 150 | 19 | 4 |
| 110HS28 | 1.8 | 8 | 0.67 | 12.00 | 28.00 | 16200 | 11.70 | 201 | 19 | 4 |
注:以上為常用電機型號,其它型號可根據客戶要求定制

110二相步進電機接線方式,110mm二相混合式步進電機接線圖示例

產品推薦:兩相步進電機
產品推薦:無刷電機
產品推薦:兩相步進驅動器
產品推薦:直流無刷驅動器




























地址 ADDRESS