產品中心
解決方案
聯系我們
深圳市東么川伺服控制技術有限公司
電話:13316379101
郵箱:1355229533@qq.com
地址:深圳市龍華區民治街道樟坑社區青創城A棟B502
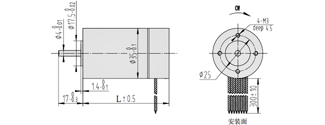
35mm空心杯無刷電機

型號:35mm
名稱:35mm空心杯無刷電機
簡介:
東么川伺服35mm空心杯直流無刷電機具有啟動電壓穩定,體積小,扭力大,噪音低,壽命長,效率高,精度準,節能環保等優勢。廣泛應用于智能家電,電動窗簾,電動門窗,智能煮飯煲,醫療泵,手術器械,醫用手槍鉆,繞線機,印刷機,裝訂機,裁剪機,開瓶機,電視機架,精密儀器,機器人,電動工具等領域。
- 規格參數
- 產品特點
- 產品尺寸圖
- 匹配產品
- 應用領域
- 資料下載
| 項目\型號 | 單位 | 35BL60-24110 | 35BL60-48200 | 35BL64-2472 |
| 輸入電壓 | VDC | 24 | 48 | 24 |
| 空載轉速 | rpm | 11000 | 20000 | 7200 |
| 空載電流 | A | 0.15 | 0.28 | 0.11 |
| 電阻 | Ω | 2.8 | 2.1 | 2.48 |
| 電感 | mH | 1.09 | 0.27 | 0.43 |
| 最大輸出功率 | W | 50 | 267.6 | 56.75 |
| 效率 | % | 75.3 | 79.08 | 79.81 |
| 堵轉力矩 | mNm | 172.4 | 511.09 | 301.07 |
| 轉動慣量 | gcm2 | 20 | 24.5 | 41 |
| 機身長度 | mm | 60 | 60 | 64 |
| 電機重量 | g | 220 | 240 | 300 |
| 適配驅動器 | DBL-2410R | DBL-4820R | DBL-2410R |
●進口配件,使用壽命更長。
●低震動,小噪音。
●相同體積,輸出轉矩更大。
●更高轉速,溫升更低。
● 工作電壓 、 運行轉速可根據用戶需求訂制。
● 輸出軸徑 、軸長、及出軸方式可根據用戶需求訂制。
● 電機極對數、霍爾傳感器角度可根據用戶需求訂制。
● 用戶可選擇有、無霍爾驅動。
● 可選配:減速結構、剎車器、內置驅動器。
● 端蓋可用鋁合金或不銹鋼材料。
● 軸承型式:含油軸承或滾動軸承。
● 電機順時針或逆時針旋轉皆可。

- 上一篇:43mm空心杯直流無刷電機
- 下一篇:90mm工業級直流無刷電機
相關產品:兩相步進電機
相關產品:無刷電機
相關產品:兩相步進驅動器
相關產品:產品中心



























地址 ADDRESS